Calcolatori Elettronici
Corso di Laurea in Ingegneria Informatica
Anno accademico 2009/2010
9 crediti


Docenti Prof. Bruno Ciciani - Prof. Paolo Liberatore
Tutor Ing.
Roberto Palmieri


Avvisi 

I prossimi tutoraggi di Calcolatori Elettronici verranno effettuati a canali uniti il Mercoledì dalle ore 12.00 fino alle 15.00. Le lezioni del prof. Liberatore di Mercoledì avranno inizio alle 15:30 invece che 15:45

Risultati esonero Prof. Ciciani - download

Testo d'esame esonero 07/01/2011 - download

Gli appelli dell'esame di Calcolatori Elettronici si terranno i giorni: 01/02/2011 e 22/02/2011. Ora e aula saranno comunicati in seguito.

L'esonero si terrà il giorno 07/01/2011. Aule 11,12,13 Via Scarpa Ore 10.00 Ingresso cancello del parcheggio.

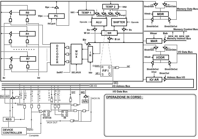
Il sito web per raggiungere il software di simulazione del PD32 è http://www.ilnomedeldominio.it/dissimulator/

Mercoledì 15/12/2010 ci sarà esercitazione a canali uniti dalle 12.00 alle 15.30. La lezione delle 15.45 del Prof. Liberatore non avrà luogo.

Come deliberato dal preside di facoltà, la didattica è sospesa Lunedì 29/11/2010 dalle 12.00 alle 14.00. Si avvisa inoltre che nella lezione di Martedì 30/11/2010 del Prof. Ciciani non verranno affrontate nuove parti del programma. 

Risultati Esame di Calcolatori Elettronici 10/11/2010 (Prof. Ciciani) - download(AGGIORNATO)

Le lezioni di Calcolatori Elettronici non si terranno Mercoledì 17/11/2010.


Il prossimo esame di Calcolatori Elettronici si terrà il 10/11/2010 Aula 3 via del Castro Laurenziano, ore 13:45.

Risultati Esame di Calcolatori Elettronici 08/09/2010 (Prof. Ciciani) - download

Appello di Calcolatori Elettronici del 08/09/2010 ore 14.30
Aula 14 Lettere A-L (Prof. Liberatore)
Aula 15 Lettere M-Z (Prof. Ciciani)
 
Risultati Esame di Calcolatori Elettronici 23/07/2010 (Canale Ciciani/Liberatore) - download

La verbalizzazione degli esami di Calcolatori Elettronici del 23 luglio verrà effettuata lunedì 6 settembre dalle ore 14, chi è impossibilitato a venire può verbalizzare durante gli orari di ricevimento
Risultati Esame di Calcolatori Elettronici 23/07/2010 (Canale Ciciani) - download

Testo d'esame del 30/06/2010 - download

Risultati Esame di Calcolatori Elettronici 30/06/2010 (Canale Ciciani) - download
Per gli studenti di Calcolatori Elettronici II, a causa della mancata indicazione sul compito d'esame, la votazione non è stata proporzionata rispetto al totale dei punti previsti per la vostra prova. La votazione effettiva sarà discussa insieme alle verbalizzazioni Lunedì 05/07/10 durante l'orario di ricevimento del Prof. Ciciani. Ovviamente chi vorrà potrà visionare il compito.

Appello di Calcolatori Elettronici del 30/06/2010 ore 9.15
Aula 15 Lettere A-K (comprese)
Aula 12 Lettere L-Z (comprese)
 
IL PROSSIMO RICEVIMENTO DI PALMIERI SI SVOLGERA' LUNEDI' 28/06/2010

ll voto dell'esonero di Aprile resta valido per i prossimi appelli di Giugno e Luglio. Tuttavia se nell'appello di Giugno lo studente consegna l'esame, il voto dell'esonero contribuirà al calcolo del voto finale per quell'appello e non potrà essere utilizzato dallo studente nell'appello di Luglio.

Le ultime due esercitazioni di Calcolatori Elettronici si svolgeranno
Giovedì 03/06/2010 Aula 4 ore 10.45 - 12.15
Venerdì 04/06/2010 Aula 5
 
Martedì 25/05/2010 si svelgerà un'esercitazione a canali unificati tenuta dal Prof. Ciciani dalle 10.45 in Aula 11
Giovedì 27/05/2010 si svolgerà un'esercitazione a canali unificati tenuta da Roberto Palmieri dalle 10.45 in Aula 5

I prossimi appelli di Calcolatori Elettronici si svolgeranno:
  • 30 Giugno 2010
    • Aule 12/15/16 dalle 9.00 alle 13.30. La suddivisione degli studenti per lettera sarà comunicata dopo la chiusura delle prenotazioni
  • 23 Luglio 2010
    • Aula 14 dalle 9.00 alle 13.30
  • 08 Settembre 2010
Risultati esonero 16 aprile 2010 - download
Risultati appello straordinario 16 aprile 2010 - download

L' esonero del corso di Calcolatori Elettronici si terrà il giorno 16 aprile 2010 in contemporanea all'appello straordinario di recupero per fuoricorso e ripetenti. L'organizzazione sarà la seguente:
  • Appello straordinario: Aula 5 ore 8:30;
  • Esonero,  suddivisione aule ed orario:
    • Studenti: R - Z Aula 5 ore 8.30 - 10.00
    • Studenti: I - Q Lab. Via Tiburtina ore 8.30 - 10.00
    • Studenti: Db - H Aula 5 ore 10.15 - 11.45
    • Studenti: A - Da Aula 5 ore 12.00 - 13.30

Programma del corso (preliminare) - download


Lucidi delle lezioni



SECONDA PARTE CORSO - EX CALCOLATORI ELETTRONICI II

Lucidi delle esercitazioni


Testi consigliati 

  • AA.VV: Appunti integrativi del corso depositati in biblioteca del DIS (Dipartimento di Informatica e Sistemistica “Antonio Ruberti”), Via Ariosto 25
  • Ciciani: “Complementi sull’architettura del PD32” , (download)
  • Patterson, Hennessy: Struttura, organizzazione e progetto dei calcolatori, Zanichelli 2006 (con CD-ROM), oppure Computer Organization & Design: the hardware/software Interface, Third Edition, Elsevier. Edizioni precedenti in inglese o in italiano, se integrate, sono sufficienti.  

Software didattico


Esempi di domande e testi d'esame